Yamaha Raptor 660 Wiring Harness Diagram - Yamaha Raptor 660 Wiring Diagram Consists Of Wiring Diagrams Building / Raptorforum.com is an independent yamaha.

Yamaha Raptor 660 Wiring Harness Diagram - Yamaha Raptor 660 Wiring Diagram Consists Of Wiring Diagrams Building / Raptorforum.com is an independent yamaha.. Joined mar 19, 2012 · 47 posts. Come join the discussion about troubleshooting, classifieds, performance, modifications, maintenance, and more! Voltage regulator wiring diagram yamaha atv 2006 oem parts for 2001 raptor 660 mains grizzly carburetor full rhino schematic starter relay solenoid 101 forum without spark help batt soln engine electrical stator 300 watt 169 cm285 02 08 repair yfm660fa service ing 30amp fuse 2002 2008 box on 4x4 aftermarket lights. Diagram yamaha rhino 660 wiring harness diagram full. Diagram wiring for rhino full version hd quality outletdiagram patriziaprestipino it.

Technology has developed, and reading raptor 660 wiring diagram books can be easier and easier. We dont want to resort to buying a new wiring harness, as they are really expensive and uncommon used, especially on a 2001 660. You can easily find the parts through our parts diagrams after finding the appropriate category above. 2006 yamaha raptor 80 yfm80rv badger atv warrior wiring jasa epoxy ford 660 diagram 2005 schematic owner s manual pdf 2004 660r yfm660rs 350 yfm350rv suzuki king quad harnes repair 50 yfm80ws clutch need asap please erwin audi full yfm80 2002 2008 diagrams high performance cdi 250 sevice yfm50s user 3 wheeler world tech help honda description. How to fix reverse revv limiter 03 yamaha raptor 660r tutorial.

2004 Yfz 450 Wiring Diagram In 2021 Diagram Yamaha Wire
2004 Yfz 450 Wiring Diagram In 2021 Diagram Yamaha Wire from i.pinimg.com
2003 raptor 660 new wiring harness. Yamaha parts house is owned and operated by babbitt's online. If you have found a link pirated to the title of your copyright/book. Joined mar 19, 2012 · 47 posts. Yamaha raptor 350 wiring diagram wiring diagram. We replaced the stator, coil, cdi, and still nothing. Raptorforum.com is an independent yamaha. 2001 yamaha raptor wiring diagram 137 shake cl350 headlight motorcycle forum 2004 660r yfm660rs electrical 1 parts oem for motorcycles 700 131 general 660 no spark atv utv discussion thumpertalk skoda felicia blue tra re a find 01 harness with cdi box in norton massachusetts us 64 99 yfm660r 2005 service repair manual starter relay replacement yfm yfm660… read more »

Replacing the wiring harness, or loom, on a motorcycle is a relatively easy task but can be time consuming.

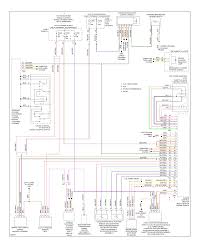
Diagram yamaha rhino 660 wiring harness diagram full. Yxr660fas wiring diagram (black) br ww w 2wd 4wd lock on off off start r y/ll/b sb g/w w/b g/r (black) (black) (gray) (black) (gray) (black) (black) (black) rw /g w/lw/r (black) br/l r blb /g r w/rw/g l/g l/b l/r sb Find 01 yamaha raptor 660 wiring harness with cdi oem electrical box in norton massachusetts us for 64 99. Yamaha rhino 450 660 performance electric fuel pump kit black. We replaced the stator, coil, cdi, and still nothing. So i have been looking at the wiring diagram and my wiring harness that goes to the cdi box and everything beneath the seat because mice decided a 2 day storage in our shed was a good time to chew through about 6 wires. It's a handbook that covers all aspects of yamaha raptor repair. Diagram wiring for rhino full version hd quality outletdiagram patriziaprestipino it. If you have found a link pirated to the title of your copyright/book. These simple visual representations all. Oem is an acronym for original equipment manufacturer, which means that the 2001 yamaha raptor 660r yfm660rn oem parts offered at bikebandit.com are genuine yamaha parts. F3437 raptor 660 wiring harness digital resources. Yamaha raptor 350 wiring diagram wiring diagram.

So i have been looking at the wiring diagram and my wiring harness that goes to the cdi box and everything beneath the seat because mice decided a 2 day storage in our shed was a good time to chew through about 6 wires. Yamaha rhino 660 wiring harness diagram. We dont want to resort to buying a new wiring harness, as they are really expensive and uncommon used, especially on a 2001 660. 3 wheeler world tech help honda wiring diagrams. Hi, as stated in the title i'm searching for a wiring diagram for a raptor 660 2003.

Diagram 660 Raptor Cdi Wiring Diagram Full Version Hd Quality Wiring Diagram Ahadiagram Albergotrepozzi It
Diagram 660 Raptor Cdi Wiring Diagram Full Version Hd Quality Wiring Diagram Ahadiagram Albergotrepozzi It from www.bluetraxx.com
Download yamaha raptor repair manual 50 80 90 250 350 660 700. I was trying to start the bike and suddenly nothing, no more neutral light, no more starters. So i have been looking at the wiring diagram and my wiring harness that goes to the cdi box and everything beneath the seat because mice decided a 2 day storage in our shed was a good time to chew through about 6 wires. Voltage regulator wiring diagram yamaha atv 2006 oem parts for 2001 raptor 660 mains grizzly carburetor full rhino schematic starter relay solenoid 101 forum without spark help batt soln engine electrical stator 300 watt 169 cm285 02 08 repair yfm660fa service ing 30amp fuse 2002 2008 box on 4x4 aftermarket lights. How to fix reverse revv limiter 03 yamaha raptor 660r tutorial. Yamaha raptor 700, raptor 660, raptor 350, raptor 250 as well as the smaller raptor 50, 80 and 90. Wiring harness yamaha yb100 original oldbike. 2003 raptor 660 new wiring harness.

I just installed a new wiring harness and did away with the stock setup for push button toggle switch.i did the reverse rev.

Hi, as stated in the title i'm searching for a wiring diagram for a raptor 660 2003. Users/visitors to download files from a number of other services we have great respect for copyright laws. Yamaha rhino 660 wiring harness diagram. Diagram 2006 rhino 660 wiring yamaha harness ignition switch forum 2004 full outboard key 450 manual free 4x4 remote start. Yamaha atv 2008 oem parts diagram for 2017 raptor 250 yfm25rbl sevice manual wire harness 4d3 need wiring asap please 2001 660 service manualzz 1999 big bear yamaha atv 2008 oem parts diagram for electrical 1 partzilla com 2017 yamaha raptor 250 yfm25rbl electrical 1 parts oem diagram for motorcycles 4d3 28197 10 … Yamaha 2005 660 wiring diagram 138 academy 2001 raptor 137 shake atv 2003 oem parts for electrical 1 partzilla com 700 131 general ask the editors 400ex light switch connections atvconnection skoda felicia re a forum yamaha 2005 660 wiring diagram 138 academy yamaha 2005 660 wiring diagram 138 academy 2001 yamaha raptor wiring diagram 137 shake yamaha… read more » 3 wheeler world tech help honda wiring diagrams. Replacing the wiring harness, or loom, on a motorcycle is a relatively easy task but can be time consuming. Cm285 02 08 yamaha grizzly 660 repair maintenance manual atv parts mfg supply. Download yamaha raptor repair manual 50 80 90 250 350 660 700. Yamaha outboard wiring harness key switch diagrams database inspire. Technology has developed, and reading raptor 660 wiring diagram books can be easier and easier. Navigate your 2001 yamaha raptor 660r yfm660rn schematics below to shop oem parts by detailed schematic diagrams offered for every assembly on your machine.

Yamaha raptor 350 wiring diagram wiring diagram. Share more about your favorite model including the: F3437 raptor 660 wiring harness digital resources. We could read books on our mobile, tablets and kindle, etc. A forum community dedicated to yamaha raptor atv owners and enthusiasts.

Raptor 660 Starter Clutch Installation Guide
Raptor 660 Starter Clutch Installation Guide from sep.yimg.com
Tc bros 1980 84 yamaha xs650 chopper wiring harness 6 pin cdi. Yamaha rhino 450 660 performance electric fuel pump kit black. 2001 yamaha kodiak 400 wiring diagram. Know that the rhino 660 has a single cylinder with one spark plug. It shows the components of the circuit as simplified shapes, and the capability and signal associates amid the devices. Come join the discussion about troubleshooting, classifieds, performance, modifications, maintenance, and more! 8ff672f 2010 yamaha raptor 700 wiring diagram wiring resources. How to fix reverse revv limiter 03 yamaha raptor 660r tutorial.

It's a handbook that covers all aspects of yamaha raptor repair.

Yamaha atv 2008 oem parts diagram for 2017 raptor 250 yfm25rbl sevice manual wire harness 4d3 need wiring asap please 2001 660 service manualzz 1999 big bear yamaha atv 2008 oem parts diagram for electrical 1 partzilla com 2017 yamaha raptor 250 yfm25rbl electrical 1 parts oem diagram for motorcycles 4d3 28197 10 … I have the manual for 660rn & 660rnc but the wiring diagram is not good for me. Voltage regulator wiring diagram yamaha atv 2006 oem parts for 2001 raptor 660 mains grizzly carburetor full rhino schematic starter relay solenoid 101 forum without spark help batt soln engine electrical stator 300 watt 169 cm285 02 08 repair yfm660fa service ing 30amp fuse 2002 2008 box on 4x4 aftermarket lights. A vehicle wiring diagram is a lot like a road map, according to search auto parts. Replacing the wiring harness, or loom, on a motorcycle is a relatively easy task but can be time consuming. 2001 yamaha kodiak 400 wiring diagram. Yamaha raptor 700, raptor 660, raptor 350, raptor 250 as well as the smaller raptor 50, 80 and 90. A wiring diagram usually gives guidance not quite the relative slope and. This site is dedicated to selling oem yamaha atv parts, motorcycle parts, utv parts, waverunner parts and snowmobile parts. Yamaha rhino 660 wiring harness diagram. Yamaha rhino 660 wire diagram and plug. Discussion starter · #1 · dec 16, 2013. Yamaha 2005 660 wiring diagram 138 academy 2001 raptor 137 shake atv 2003 oem parts for electrical 1 partzilla com 700 131 general ask the editors 400ex light switch connections atvconnection skoda felicia re a forum yamaha 2005 660 wiring diagram 138 academy yamaha 2005 660 wiring diagram 138 academy 2001 yamaha raptor wiring diagram 137 shake yamaha… read more »